Technische Zeichnung Hilfe für Raspberry Pi Case Modelling

Es gibt 3 Antworten in diesem Thema, welches 885 mal aufgerufen wurde. Der letzte Beitrag () ist von Chaoswolf.

  • Guten Tag geehrte Foren Mitglieder,


    kurz meine Problem Beschreibung und was ich bereits versucht habe.

    Ich möchte für meinen Raspberry Pi ein Case selber erstellen um es zu Drucken und zu nutzen.

    Nun bin ich beim Modellieren auf ein Problem gestoßen.

    Ich habe mir die Technische Zeichnung angesehen und entsprechen angefangen mein Modell zu erstellen.

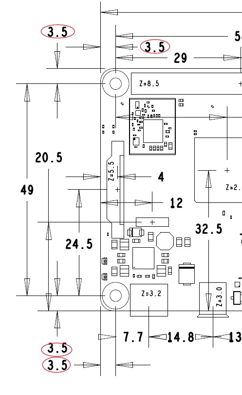
    Und zwar zu dem Punkt gekommen wo ich nicht weiterkomme nämlich finde ich nicht die Abstände der Schraubenlöcher in der Zeichnung im Bezug auf der Position von der Außenkante.

    Da ich ein Anfänger bin habe ich im Internet geguckt ich die angaben auch in Textform finde doch bin leider dran gescheitert. Zeichnung ist im Link.

    Technische Zeichnung Rasberry Pi 4 PDF


    Nun möchte ich freundlich fragen, ob mir jemand beschreiben kann wie ich die Info Rauslese oder mir beschreiben wo es steht.


    Sollte ich Dinge Unzureichend beschrieben haben, oder ihr fragen haben um mir besser Helfen zu können werde ich diese mit freude Beantworten.


    Vielen Dank im Voraus für lesen meine Frage und für jegliche Hilfe.


    Mit freundlichen Grüß

    ChDk

  • Es sind 3,5mm von den Außenkanten. Das steht direkt in der Zeichnung ;)

  • Es ist wie stoNe schon geschrieben hat. Bei technischen Zeichnungen in denen die Maßzahl keinen Platz zwischen den Maßhilfslinien findet, darf die Maßlinie zur Seite rausgezogen werden.

    Man muss aber dazu sagen, dass diese Zeichnung schlichtweg katastrophal ausgeführt ist, was wohl auch zu deiner Verwirrung beigetragen haben wird. Normalerweisen gibt es Regeln für die Abstände von Maßlinien zum Körper und untereinander. Außerdem dürfen sich Maßlinien auch nicht kreuzen usw. Wenn das alles berücksichtigt wird, sind Zeichnungen auch für Fachfremde eigentlich ganz gut zu verstehen.

    • Gäste Informationen

    Hallo Gast,

    gefällt dir der Thread, willst du was dazu schreiben, oder möchtest du noch mehr in diesem Forum sehen und kostenlose Downloads?

    Dann melde dich bitte an.
    Hast du noch kein Benutzerkonto, dann bitte registriere dich, nach der Freischaltung kannst du das Forum uneingeschränkt nutzen.

    Hello Guest,

    Do you like the thread, do you want to write something about it, or do you want to see more in this forum and free downloads?

    Then please sign in.
    If you don't have an account yet, please register, after activation you can use the forum without any restrictions.